GL-R 배선 예 21

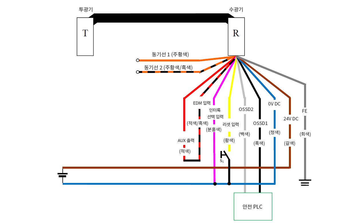
NPN 배선 시스템: 광 동기(투광기 5심, 수광기 11심)

EDM 사용하지 않음
스타트/리스타트 인터록 수동
투광기 케이블 5심 예) GL-RP5N
수광기 케이블 11심 예) GL-RP5NM
투광기(T) - 회색(FE), 갈색(24 VDC), 청색(0 VDC), 백색(미사용), 흑색(미사용) | 수광기(R) - 주황색(동기선 1), 주황색/흑색(동기선 2), 적색(AUX 출력) - 적색/흑색(EDM 입력), 분홍색(인터록 선택 입력), 황색(리셋 입력), 백색(OSSD2), 흑색(OSSD1), 청색(0 VDC), 갈색(24 VDC), 회색(FE) | 황색(리셋 입력) - S1 - 청색(0 VDC) | 분홍색(인터록 선택 입력) - 청색(0 VDC) | 안전 PLC - 백색(OSSD2), 흑색(OSSD1)
  • 사용하지 않는 선은 통합하지 말고 각각 절연 처리해 주십시오.
  • 안전 PLC 대신 안전 컨트롤러 등의 안전 기기를 사용할 수 있습니다.
  • 안전 PLC의 0 V를 GL-R의 0 V와 연결해 주십시오.

NPN 배선 시스템: 원라인(수광기 11심)

EDM 사용하지 않음
스타트/리스타트 인터록 수동
투광기 케이블 사용하지 않음 사용하지 않음
수광기 케이블 11심 예) GL-RP5NM
투광기(T) - 수광기(R) - 주황색(동기선 1), 주황색/흑색(동기선 2), 적색(AUX 출력) - 적색/흑색(EDM 입력), 분홍색(인터록 선택 입력), 황색(리셋 입력), 백색(OSSD2), 흑색(OSSD1), 청색(0 VDC), 갈색(24 VDC), 회색(FE) | 황색(리셋 입력) - S1 - 청색(0 VDC) | 분홍색(인터록 선택 입력) - 청색(0 VDC) | 안전 PLC - 백색(OSSD2), 흑색(OSSD1)
  • 사용하지 않는 선은 통합하지 말고 각각 절연 처리해 주십시오.
  • 안전 PLC 대신 안전 컨트롤러 등의 안전 기기를 사용할 수 있습니다.
  • 안전 PLC의 0 V를 GL-R의 0 V와 연결해 주십시오.

PNP 배선 시스템: 광 동기(투광기 5심, 수광기 11심)

EDM 사용하지 않음
스타트/리스타트 인터록 수동
투광기 케이블 5심 예) GL-RP5P
수광기 케이블 11심 예) GL-RP5PM
투광기(T) - 회색(FE), 갈색(24 VDC), 청색(0 VDC), 백색(미사용), 흑색(미사용) | 수광기(R) - 주황색(동기선 1), 주황색/흑색(동기선 2), 적색(AUX 출력) - 적색/흑색(EDM 입력), 분홍색(인터록 선택 입력), 황색(리셋 입력), 백색(OSSD2), 흑색(OSSD1), 청색(0 VDC), 갈색(24 VDC), 회색(FE) | 황색(리셋 입력) - S1 - 갈색(24 VDC) | 분홍색(인터록 선택 입력) - 갈색(24 VDC) | 안전 PLC - 백색(OSSD2), 흑색(OSSD1)
  • 사용하지 않는 선은 통합하지 말고 각각 절연 처리해 주십시오.
  • 안전 PLC 대신 안전 컨트롤러 등의 안전 기기를 사용할 수 있습니다.
  • 안전 PLC의 0 V를 GL-R의 0 V와 연결해 주십시오.

PNP 배선 시스템: 원라인(수광기 11심)

EDM 사용하지 않음
스타트/리스타트 인터록 수동
투광기 케이블 사용하지 않음 사용하지 않음
수광기 케이블 11심 예) GL-RP5PM
투광기(T) - 수광기(R) - 주황색(동기선 1), 주황색/흑색(동기선 2), 적색(AUX 출력) - 적색/흑색(EDM 입력), 분홍색(인터록 선택 입력), 황색(리셋 입력), 백색(OSSD2), 흑색(OSSD1), 청색(0 VDC), 갈색(24 VDC), 회색(FE) | 황색(리셋 입력) - S1 - 갈색(24 VDC) | 분홍색(인터록 선택 입력) - 갈색(24 VDC) | 안전 PLC - 백색(OSSD2), 흑색(OSSD1)
  • 사용하지 않는 선은 통합하지 말고 각각 절연 처리해 주십시오.
  • 안전 PLC 대신 안전 컨트롤러 등의 안전 기기를 사용할 수 있습니다.
  • 안전 PLC의 0 V를 GL-R의 0 V와 연결해 주십시오.