나사 불량(흠집·크랙·굴곡 등) 관찰의 효율화
나사는 대부분의 공업 제품에서 부품 간의 기계적 접합에 반드시 필요한 요소입니다. 정도와 내구성이 그 안전성을 좌우하는 자동차와 항공 관련은 물론, 건축부터 전자 부품까지 많은 제품에서 나사의 높은 품질과 신뢰성이 요구됩니다.
여기서는 나사에 관한 기초 지식부터 연구 개발과 품질 보증 등에 요구되는 나사의 불량 부분 관찰 및 측정을 4K 디지털 마이크로스코프로 고도화·효율화하는 사례까지 소개합니다.

나사의 기본(각부의 명칭·치수·규격·재질)
나사란 원통 형상 축의 측면에 나선형의 홈을 낸 고정 부품입니다. 일반적으로 작은 나사는 비스로 불리기도 하며, 너트와 세트로 사용하는 것은 볼트라고 불립니다. 또한, 목공용으로 나사부의 선단이 뾰족한 나무 나사가 사용되는 등 피접합재와 용도에 따라 다양한 향상과 규격, 재질의 나사가 사용됩니다. 일반적인 나사 각부의 명칭과 치수, 규격 등 나사를 취급하는 데 있어 기본이 되는 항목에 대해 아래에 정리했습니다.
나사 각부의 명칭과 치수
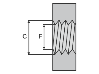
나사(수나사)의 대표적인 부위 명칭을 아래 그림에 나타냈습니다.

- A
- 목·목 아래(좌면)
- B
- 머리(머리부)
- C
- 나사부
- D
- 나사 끝
- E
- 목 아래 길이
- F
- 전체 길이
- G
- Q 치수
일반적으로 수나사의 길이를 「호칭 길이」라고 하며, 목 아래 길이(E)를 가리킵니다. 단, 나사의 종류 및 머리부의 형상에 따라서는 그 정의가 달라집니다. 예를 들어 접합 시에 머리부가 돌출되지 않는 접시 나사인 경우 전체 길이(F)가 호칭 길이가 됩니다.
그밖에 머리부에 인접한 나사산과 골이 없는 부분이 있을 때는 이를 「원통부」라고 부릅니다. 가공 시에 원통부와 나사부 사이에 생기는 나사산의 피크와 골이 불완전한 「불완전 나사부」는 원통부에 포함됩니다.
다음으로 나사부(수나사·암나사)의 대표적인 치수를 아래 그림에 나타내고 설명합니다.


- A. 외경: 수나사의 나사산 사이 직경으로, 굵기를 나타내는 「호칭 직경」입니다.
- B. 유효 직경: 나사산의 폭과 나사 홈의 폭이 같아지는 원의 직경.
- C. 골: 직경수나사와 암나사의 곡저 간 직경.
- D. 나사산 각도: 나사산의 피크에서 골로 이어지는 확산 각도.
- E. 피치: 인접한 나사산의 피크 사이 거리.
- F. 내경: 암나사의 나사산 사이 직경.
나사의 규격
나사에는 다양한 규격이 있고 치수와 정의, 명칭에 차이가 있습니다. 대표적인 규격 및 정의, 표기 방법 등에 대해 소개합니다.
- 미터 나사
- 나사산의 각도가 60°로, 호칭 치수 및 나사산 피치를 밀리미터로 나타낸 나사를 말합니다. 나사산의 피치 차이에 따라 보통눈 나사와 가는눈 나사가 있습니다.
「나사의 호칭 × 피치」로 표기되며 알파벳 M 뒤에 나사부의 최대 직경(mm)을 붙여 표시합니다. 예를 들어 「M10」은 나사의 호칭 직경이 10 mm인 것을 나타냅니다. 피치에는 표준인 「보통눈 피치」와 나사산의 간격이 좁은 「가는눈 피치」가 있고 후자는 「M〇〇×피치」로 나타냅니다. - 유니파이 나사
- 나사산의 각도는 미터 나사와 같은 60°이지만, 호칭 치수를 인치로 나타낸 나사를 말합니다. 나사산의 피치는 1인치 범위 내에서 나사산의 개수로 나타냅니다. 유니파이 나사의 규격은 인치 나사 또는 미국 나사라고도 불리는 경우가 있으며 항공기 업계 등에서 사용됩니다. 유니파이 나사에는 보통 크기의 「유니파이 보통눈 나사(UNC)」 외에 가는 「유니파이 가는눈 나사(UNF)」가 있습니다.
「나사의 외경(나사 번호)-1인치당 나사산 수, 나사의 종류(UNC 또는 UNF)」로 표기됩니다. 예를 들어 「1/4-20UNC」는 외경 1/4인치, 1인치당 나사산 수 20, 유니파이 보통눈 나사라는 의미입니다.
나사의 재질과 특징
나사는 용도에 따라 머리부와 나사부에 다양한 형상 및 규격이 있듯이 사용하는 재질도 다양합니다. 대표적인 나사 재질의 종류 및 특징에 대해 설명합니다.
- 강철
- 나사에 사용되는 주요 강재는 다음과 같습니다.
- 탄소강: 나사의 철강 재료 중 가장 일반적입니다. 특히 S45C(탄소 함유량 0.45% 전후)는 경도와 강도를 겸비한 기계 구조용 탄소강 강재로 나사에 많이 사용됩니다.
- 합금강: Mo(몰리브덴) 및 Cr(크롬)을 첨가하여 강도가 필요한 볼트 등에 사용됩니다.
- 스테인리스강: Cr계(Cr 마르텐사이트계/18Cr 페라이트계), Cr-Ni계(18-8 오스테나이트계) 등 열처리 시 변화하는 조직에 따라 분류되며, 일반적으로 내식성·기계적 성질이 뛰어납니다. 이들 중에서도 나사에는 오스테나이트계가 많이 사용됩니다.
- 동·동 합금
- 기계적 강도는 다른 금속 재료에 비해 낮지만, 성형이 쉽고 전기 전도성과 열 전도성, 전연성, 내식성이 뛰어납니다. 터미널의 고정 나사로 많이 사용됩니다. 순동은 산소 함유량(동의 순도)의 차이에 따라 타프피치동(순도 99.5%)·탈산동(타프피치동에 수소 취성 대책을 취한 것)·무산소동(99.995%의 고순도)로 분류됩니다. 나사의 재질로는 대부분의 경우 비용적인 이유로 타프피치동이 사용됩니다.
- 알루미늄·알루미늄 합금
- 알루미늄제 나사는 강철에 비해 1/3 정도 경량화할 수 있습니다. 또한 내식성과 열 전도성이 뛰어나고, 재활용이 비교적 쉬워 환경 대책에 효과적인 점이 이점입니다. 한편 강철에 비해 비교적 강도가 약한 점이 알루미늄의 과제로 여겨져 왔으나, 열처리를 통해 표면 경도를 향상시키거나 재질을 고강도화하는 등의 방법으로 약점을 극복할 수도 있습니다.
- 티타늄·티타늄 합금
- 티타늄제 나사는 강철제 나사에 비해 60% 정도 가벼우면서 탄소강과 거의 동등한 강도를 지니며, 내식성·내열성도 뛰어납니다. 한편, 티타늄은 가공이 어렵고 고비용의 재질이기도 합니다. 티타늄(순티타늄)이냐 티타늄 합금이냐에 따라 성질이 달라집니다. 주요 용도는 다음과 같습니다.
- 티타늄: 내식성이 우수하며 인체에 무해합니다. 생체 적합성이 뛰어나 의료용 볼트 등에 사용됩니다.
- 티타늄 합금: 재질의 중량에 비해 강도가 높아 항공 우주 관련 분야에서 활용됩니다. 가공이 어려워 나사 단가가 비쌉니다.
- 마그네슘·마그네슘 합금
- 마그네슘은 무게가 강철의 약 1/4, 알루미늄의 약 2/3로 나사로 사용되는 금속 재료 중 매우 가볍습니다. 마그네슘 합금은 가벼우면서 비강도가 높고, 전자파 차단 성능과 방열성, 진동 흡수성이 뛰어나 해당 재질 케이스와 체결할 때는 전해 부식이 일어나지 않는 점도 이점입니다. 이러한 이유 때문에 자동차 및 항공기, 전기 제품 등 폭넓은 분야에서 사용됩니다. 반면에 내식성이 낮고 가공이 어려운 등의 성질이 있으므로 사용 환경 검토 및 약점을 보완하기 위해 표면 처리를 고려하는 등의 고안이 필요합니다.
- 수지(플라스틱)
- 수지는 강도가 낮지만 성형이 쉽고 가볍습니다. 또한, 수지의 종류에 따라 내식성과 내약성 등 다양한 성질을 얻을 수 있습니다. 예를 들어 수지 중에서도 저비중이며 가수분해에 강한 PP(폴리프로필렌)나, 기계적 성질의 균형이 좋으며 내약성도 뛰어난 POM(폴리아세탈) 등 나사의 사용 목적에 맞춰 다양한 수지가 사용되고 있습니다.
나사 불량 관찰·측정의 고도화·효율화 사례
나사와 볼트, 너트, 와셔 등은 대부분 금속제이며 입체적이기 때문에 품질을 저해하는 흠집, 크랙 등의 외관 불량 및 3차원 형상 불량을 관찰할 때 초점이 일부만 맞거나 광택과 배경의 낮은 콘트라스트로 인해 조명 조건 설정이 어렵다는 문제가 있습니다. 또한, 일반 측정기로 3D 형상을 고정도로 측정하는 작업은 난이도가 높아 작업자에 따른 수치 편차 또한 큰 과제였습니다.
KEYENCE의 초고해상도 4K 디지털 마이크로스코프 「VHX 시리즈」는 고분해능 HR 렌즈와 4K CMOS 등의 첨단 기술과 전동 제어를 이용한 독자적인 관찰 시스템을 실현했습니다. 이에 따라 간단한 조작만으로 선명한 4K 고해상도 화상을 통한 관찰과 2D·3D 치수를 측정할 수 있습니다. 동시에 기존의 과제를 해결하여 관찰의 고도화와 측정의 정량화, 작업 시간의 단축 및 효율화를 실현합니다.
나사산 흠집의 경사 관찰
4K 디지털 마이크로스코프 「VHX 시리즈」는 「프리 앵글 관찰 시스템」을 활용하여 대상 물체의 위치는 그대로 자유로운 앵글에서 나사의 미세한 흠집 등을 저배율·고배율로 선명하게 관찰할 수 있습니다.
기존의 마이크로스코프에 비해 약 20배 깊은 피사계 심도를 실현하여 입체적인 대상 물체도 초점 조정이 어렵지 않아 불량 부분을 풀포커스로 신속하게 관찰할 수 있습니다.



너트의 굴곡 관찰
4K 디지털 마이크로스코프 「VHX 시리즈」는 SEM(주사형 전자 현미경)에 가까운 높은 콘트라스트 정보를 진공화 등의 번거로운 작업 없이 버튼을 누르는 것만으로 간단하게 취득할 수 있는 「Optical Shadow Effect Mode」를 활용할 수 있습니다. 따라서 보통은 콘트라스트가 낮아 관찰이 어려운 금속 표면의 미세한 요철도 놓치지 않고 관찰할 수 있습니다.
Optical Shadow Effect Mode 화상에 대상 물체의 컬러 정보를 합성해 요철 정보와 컬러 정보를 동시에 표현할 수 있습니다. 또한, 아래 화상과 같이 요철 정보를 색으로 구분하여 표시한 「컬러 맵 화상」을 통해 작은 너트의 굴곡과 같은 미세한 요철 정보도 알기 쉽게 가시화할 수 있습니다.
뿐만 아니라 「VHX 시리즈」는 고해상도 4K 화상에서 그대로 2D·3D 치수를 측정할 수도 있습니다. 3D 치수 측정 시에는 원하는 부분의 프로파일 정보도 취득할 수 있으며, 관찰 화상과 측정값을 사용한 리포트도 자동으로 작성할 수 있습니다.


나사 관찰·해석의 상식을 바꾸는 4K 마이크로스코프
4K 디지털 마이크로스코프 「VHX 시리즈」는 선명한 4K 화상을 이용해 관찰의 고도화는 물론, 다양한 관찰 시스템 및 기능을 통해 기존의 관찰과 해석의 상식을 크게 바꾸는 데 성공했습니다.
「프리 앵글 관찰 시스템」은 시야·회전축·경사축의 3가지 축을 간단하게 맞출 수 있어 기울이거나 회전시켜도 대상물이 시야 범위에서 벗어나지 않는 유센트릭성을 실현합니다. 나사의 불량 부분과 같은 입체적이고 미세한 대상도 원활하게 관찰할 수 있습니다.
또한 Optical Shadow Effect Mode를 통해 높은 콘트라스트 정보를 취득하여 굴곡과 같은 미세한 요철 및 흠집의 관찰과 가시화 등 기존에는 어려웠던 관찰을 간단한 조작으로 실현할 수 있습니다.
연구 개발과 품질 보증 등에 요구되는 관찰·해석의 고도화, 정량화는 물론 작업 속도 향상 및 간단한 조작을 통해 속인화 문제를 해결하는 등 많은 이점이 있는 「VHX 시리즈」. 자세한 내용을 알아보시려면 아래의 버튼을 클릭하여 카탈로그를 다운로드하시거나 부담 없이 상담·문의해 주시기 바랍니다.


