자동차·항공 관련 업계
-

디지털 마이크로스코프를 이용한 유압 부품의 관찰·측정 -

디지털 마이크로스코프를 이용한 소결 부품의 관찰·측정 -

디지털 마이크로스코프를 이용한 주름 가공의 관찰·측정 -

디지털 마이크로스코프를 이용한 전기 자동차(EV) 부품의 관찰·측정 -

디지털 마이크로스코프를 이용한 금형의 관찰·측정 -

디지털 마이크로스코프를 이용한 연마 가공의 관찰·검사 -

금속 파단면의 파괴 양식과 파면 해석의 과제 해결 -

공업 규격과 자동차 부품의 오염 측정·해석 -

공구의 마모·수명 관리와 평가의 정량화 -

금속 조직의 관찰 방법과 관찰·계측의 합리화 -

용접부의 용입 불량과 측정·검사의 효율화 -

금속 부식 분석 시의 형태 관찰·해석 과제 해결 -

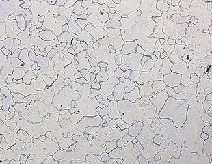
금속 조직의 결정·입도 해석에서의 공업 규격과 정량 평가 -

다이캐스트의 주조 기공 등 주조 불량의 원인과 측정·평가 -

흑연 구상화율 측정·평가의 효율화 -

프레스 가공품 불량(버·흠집 등)의 원인과 불량 부분 및 절단면(파단면 등)의 관찰 -

나사 불량(흠집·크랙·굴곡 등) 관찰의 효율화 -

사형 주조의 관찰·해석 -

절삭 공구의 종류와 디지털 마이크로스코프를 이용한 관찰·검사

