결정(아미노산·단백질 등) 관찰·해석의 효율화
식품 제조·제약 업계에서는 인체에 직접 흡수되는 제품을 제조하기 때문에 높은 수준의 안전성과 품질이 요구됩니다.
따라서 결정 형태 원재료의 사용자 측 검사 또는 결정화 공정, 가공 후의 관찰·해석 등 각 과정에서 자세하고 정확하게 조사하면 적절한 품질 관리·품질 보증을 실시할 수 있습니다.
여기서는 지금까지 난이도가 높아 많은 시간이 필요했던 결정의 관찰·해석 등을 1대로 완료하는 4K 디지털 마이크로스코프의 활용 사례를 소개합니다.

- 결정이란
- 결정의 니즈와 관찰·해석의 과제
- 결정의 관찰·해석 시 과제를 해결하는 4K 디지털 마이크로스코프의 활용 사례
- 결정의 관찰·해석, 식품·제약 업계 업무의 상식을 바꾸는 4K 디지털 마이크로스코프
결정이란
결정이란 물질의 고체 상태 중 하나로 원자 또는 분자, 이온 등이 규칙적인 주기로 반복하여 입체적으로 배열되고, 공간 격자를 만든 상태를 말합니다. 결정 내 원자 배열을 「결정 구조」라고 하며 배열의 규칙적인 주기의 최소 단위를 「단위 격자」라고 합니다. 원자 및 무기물 분자 외에 예를 들어 100만이 넘는 분자량을 지닌 단백질 분자 등도 결정이 됩니다.
일반적으로 결정은 다면체로, 표면이 평평하고 예리한 다각형 형상의 「모서리」가 여러 개 조합된 외관을 가집니다. 대부분의 경우 결정은 빛의 굴절률, 탄성 등이 방향에 따라 달라지는 「이방성」을 가집니다.
결정의 니즈와 관찰·해석의 과제
식품·의약품 분야에서는 제품의 원재료 및 제조 공정에서 다양한 원약과 단백질, 아미노산, 전분 등의 재료에 결정 기술이 폭넓게 이용되고 있습니다. 결정을 이용하면 제품에 추가적인 부가가치를 부여할 수 있기 때문에, 결정의 결정화 공정 및 사외에서 실시하는 결정의 사용자 측 검사가 증가했습니다. 결정을 이용한 제품을 제조하는 데 있어 결정의 순도 및 외형, 입도 분포, 용해성, 유동 특성 등이 품질을 유지·향상시키기 위해 중요하게 작용합니다.
결정의 성질은 대부분의 경우, 이를 구성하는 각각의 원자 또는 분자에서 기인하거나 결정 내에서 이들의 상호적인 위치와 관련됩니다. 이는 이방성 중에서도 굴절률 및 빛 흡수 계수, 선광도, 편광 해소도 등 광학적 성질에서도 나타납니다. 하지만 일반적으로 사용자 측 검사 시 결정 또는 결정화 결과를 평가하는 대표적인 지표가 되는 것은 결정의 외관 및 외형, 입도 분포 등의 관찰과 해석입니다.
그러나 결정은 미세하며 복잡한 입체 형상 및 서로 다른 투과성, 빛의 굴절, 난반사가 함께 존재하므로 관찰 및 해석의 난이도가 높은 점이 과제였습니다. 구체적으로는 다음과 같은 과제를 들 수 있습니다.
- 결정은 입체 형상이므로 고배율 관찰 시에는 샘플의 일부에만 초점이 맞는다.
- 모서리의 각도가 희소 각도이므로 빛의 난반사로 인해 조명 조건 설정이 어렵다.
- 배경과의 콘트라스트가 낮은 경우가 많아 결정의 윤곽을 포착하기 어렵다.
- 위 요인들로 인해 정량적인 해석·평가의 난이도가 높다.
다음 항에서는 결정의 관찰·해석과 관련된 여러 과제를 해결하고, 고도화와 정량화, 업무의 대폭적인 효율화를 실현하는 4K 디지털 마이크로스코프의 활용 사례를 소개합니다.
결정의 관찰·해석 시 과제를 해결하는 4K 디지털 마이크로스코프의 활용 사례
결정과 같은 난이도가 높은 대상 물체의 관찰·해석 시 과제를 해결하기 위해 KEYENCE는 현장의 의견을 바탕으로 30년 이상 관찰·해석자의 니즈에 부응하는 새로운 디지털 마이크로스코프를 계속 제작해왔습니다.
그 최신 시리즈가 차세대 마이크로스코프라 할 수 있는 초고해상도 4K 디지털 마이크로스코프 「VHX 시리즈」입니다. 우수한 성능과 다양한 기능을 갖추고 있으며, 이를 간단한 조작으로 활용할 수 있는 독자적인 관찰 시스템은 업무의 속인화 해결과 효율 향상을 실현합니다.
여기서는 결정의 관찰·해석과 관련된 「VHX 시리즈」의 활용 사례를 소개합니다.
원약의 결정 관찰·해석·리포트 작성
제약에 이용되는 원약 결정은 복잡한 입체 형상이므로 전체에 초점이 맞지 않는 경우가 많이 있습니다. 또한, 결정 특유의 투과성 및 빛의 굴절로 인해 높은 콘트라스트를 얻을 수 없어 형상을 선명하게 관찰하기 어려웠습니다.
4K 디지털 마이크로스코프 「VHX 시리즈」는 1대로 다양한 조명 조건에 대응하므로, 지금까지 많은 시간이 필요했던 조건 설정도 매우 간단하고 신속하게 실시할 수 있습니다. 버튼을 누르기만 하면 전방위 조명 조사를 활용한 복수의 화상을 자동으로 취득하는 「멀티 라이팅」 기능을 탑재하여 취득한 화상 중 목적에 맞는 화상을 선택하기만 하면 고해상도 4K 화상으로 바로 결정 관찰을 시작할 수 있습니다.
취득한 복수의 화상 데이터는 저장되기 때문에, 예를 들어 나중에 다른 조명 조건으로 관찰해야 할 때도 간단하게 화상을 불러올 수 있습니다.
또한 과거의 관찰 화상을 선택하는 것만으로 당시의 조건을 완전하게 재현할 수 있으므로, 샘플의 개체·관찰 일시·관찰자가 달라져도 동일한 조건으로 간단하게 관찰할 수 있습니다.


뿐만 아니라 「VHX 시리즈」는 관찰부터 결정 입도의 해석을 끊김없이 실행할 수 있습니다. 「자동 면적 계측·카운트」 기능은 간단한 조작으로 범위를 지정하면 해당 범위 내를 임의의 한계값으로 2치화하기 때문에 결정의 면적 계측 및 카운트를 자동으로 실시할 수 있습니다.
각 결정의 면적·둘레 길이·최대 직경·최소 직경 외에 선택 범위 내 결정의 개수와 면적의 평균·표준 편차·최대값·최소값·면적률 등 자세한 수치를 자동으로 계측·산출·카운트하여 목록으로 표시합니다. 선택 범위에 포함되는 불필요한 대상 물체의 제외 및 서로 겹치는 대상 물체를 분리할 수도 있어 고정도 분석이 실현됩니다.

뿐만 아니라 「VHX 시리즈」에 Excel을 직접 인스톨할 수 있으므로 취득한 화상 및 수치를 임의의 템플릿에 출력·레이아웃한 리포트를 자동으로 작성할 수 있습니다.
이러한 다양한 기능에 의해 기존의 관찰부터 해석, 리포트 작성에 필요했던 일련의 작업이 간소화·효율화되므로 공정 수가 크게 줄어듭니다.

전분 결정의 높은 콘트라스트 관찰
전분 관찰 시 결정의 투과성이 높기 때문에 배경과의 콘트라스트가 낮아져 결정의 윤곽 및 형상을 선명하게 관찰하기 어려웠습니다.
4K 디지털 마이크로스코프 「VHX 시리즈」는 투과 조명을 실현하는 백라이트와 더불어, 셔터 스피트를 변경한 화상을 여러 장 촬상하고 합성하여 고계조 화상을 취득하는 「HDR(High Dynamic Range)」 기능을 탑재했습니다. 이를 활용하면 전분 결정과 같이 배경과의 콘트라스트가 낮은 대상 물체를 관찰할 때도 콘트라스트가 높아 고해상도 4K 화상을 얻을 수 있으므로 결정의 윤곽과 텍스처를 선명하게 관찰할 수 있습니다.


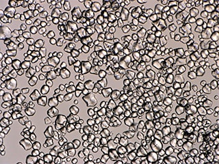
아미노산 및 단백질의 결정 관찰
광학 현미경의 20배 이상 깊은 피사계 심도와 고해상도를 동시에 실현한 4K 디지털 마이크로스코프 「VHX 시리즈」는 투과 조명(백라이트) 및 낙사 조명, 편광 관찰 등 다양하게 활용할 수 있는 고기능 조명을 탑재했습니다.
또한, 전방위 조명 조사를 활용해 촬상한 복수의 화상을 자동으로 취득하는 「멀티 라이팅」 기능을 통해 다양한 결정에 적합한 조명 조건을 신속하게 얻을 수 있습니다.
「VHX 시리즈」의 우수한 성능과 기능, 독자적인 관찰 시스템을 통해 지금까지 조건 설정이 어려웠던 아미노산 및 단백질 등 다양한 외관의 결정을 고해상도 4K 화상으로 간단하게 관찰할 수 있습니다.


결정의 관찰·해석, 식품·제약 업계 업무의 상식을 바꾸는 4K 디지털 마이크로스코프
지금까지 소개한 사례와 같이 4K 디지털 마이크로스코프 「VHX 시리즈」는 조건 설정 및 해석의 난이도가 높아 많은 공정 수와 시간이 필요했던 결정의 관찰·해석에 관한 기존 상식을 크게 바꾸었습니다.
고해상도 4K 화상을 실현하는 최첨단 광학계 및 4K CMOS, 각종 결정의 투과성에 대응하는 여러 종류의 조명, 간단한 조작으로 다양한 기능을 활용할 수 있는 독자적인 관찰 시스템을 통해 고도의 결정 관찰을 합리적으로 실현합니다.
또한 관찰 시야에서 그대로 결정의 자동 면적 계측 및 카운트, 그리고 리포트 자동 작성까지 1대로 끊김 없이 수행할 수 있어 업무 효율이 크게 향상됩니다.
이와 더불어 여기서 소개한 내용 외에도 다양한 기능을 가진 「VHX 시리즈」는 식품·제약 업계의 다양한 관찰·해석 업무를 강력하게 지원합니다.
「VHX 시리즈」에 관한 자세한 내용을 알아보시려면 아래의 버튼을 클릭하여 카탈로그를 다운로드하시거나 부담 없이 상담·문의해 주시기 바랍니다.


