- A
- 딤블의 눈금이 「0.15」에서 일치
- B
- 딤블의 눈금이 「12.0 mm」를 초과
측정기의 종류와 특징
마이크로미터
개요
대상 물체를 끼워 그 크기를 측정하는 공구입니다.기종에 따라서는 1 µm 단위까지 측정할 수 있는 것도 있습니다.버니어 캘리퍼스와 달리, 이른바 「아베의 원리」를 따르기 때문에 더 정확한 측정이 가능합니다.
일반적으로 마이크로미터라고 하면 외측 마이크로미터를 가리킵니다.그 외에 내측 마이크로미터나 3점식 내측 마이크로미터, 막대형 마이크로미터, 깊이 마이크로미터 등 측정 용도에 따라 여러 가지 타입이 있습니다.또한, 프레임의 크기에 따라 측정 가능한 범위는 0~25 mm, 25~50 mm와 같이 25 mm씩 달라지기 때문에 대상 물체와 맞는 것을 사용해야 합니다.최근에는 디지털식 마이크로미터가 보급되고 있습니다.
아베의 원리
아베의 원리란 「측정 정도를 높이기 위해서는 측정 대상 물체와 측정 기구의 눈금을 측정 방향의 동일선 상에 배치해야 한다」는 것입니다.마이크로미터의 경우 눈금과 측정 위치가 동일선 상에 있기 때문에 아베의 원리를 따르고 있어 측정 정도가 높다고 할 수 있습니다.
구조와 용도
- A
- 앤빌
- B
- 스핀들
- C
- 클램프
- D
- 슬리브
- E
- 프레임
- F
- 방열판
- G
- 기준선
- H
- 딤블
- I
- 래칫 스톱
- 앤빌과 스핀들 사이에 대상 물체를 놓고 딤블을 회전시켜 양면에 밀착시킵니다.
마이크로미터의 주요 사용법
- 측정 전 앤빌과 스핀들의 면은 깨끗한 천으로 닦아 둡니다.이렇게 하면 오염이나 먼지가 제거되어 정확한 측정이 가능해집니다.
- 마이크로미터를 잡을 때는 왼손의 엄지와 검지 사이에 프레임의 방열판 부분을 끼우고 오른손의 엄지와 검지로 딤블을 잡습니다.
- 앤빌과 스핀들 사이에 대상 물체를 끼우고 래칫 스톱을 돌려 공회전한 지점에서 읽습니다.
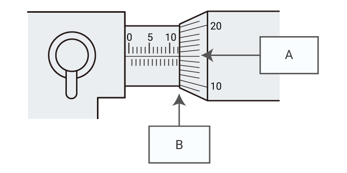
- 주 눈금인 슬리브와 딤블 양쪽에서 읽습니다.슬리브의 오른쪽 끝 선에서 0.5 mm 단위까지 읽을 수 있고 딤블 중앙의 선(기준선)과 일치하는 눈금에서 0.01 mm 단위까지 읽을 수 있습니다.
12.0+0.15=12.15 mm
취급상의 주의점
- 마이크로미터는 블록 게이지나 전용 게이지를 이용하여 교정합니다.또한, 정확한 측정을 위해서는 앤빌의 면이 항상 평행이어야 합니다.측정을 반복하다 보면 면의 마모나 오염으로 인해 평행이 유지되지 않을 수 있습니다.따라서 옵티컬 플랫이라는 부품을 이용하여, 표시되는 뉴턴 링으로 평행인지 아닌지를 정기적으로 확인합니다.
- 금속 대상 물체를 측정할 때나 블록 게이지로 교정할 때는 열팽창에 주의합시다.금속은 되도록 맨손으로 만지지 말고 열이 전달되지 않는 정밀 작업용 장갑을 사용합니다.
- 마이크로미터의 교정 주기는 3개월~1년입니다.



