최소 실체 공차 방식(LMR: Least Material Requirement)
홀의 크기나 위치, 두께의 관리 등에는 최소 실체 공차 방식이 이용됩니다.
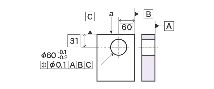
예를 들어, 부품의 홀이 최소 실체 상태(홀의 크기가 최대[LMC: Least Material Condition])일 때 홀의 위치나 크기가 어긋나면 강도가 부족해져 파단되는 문제가 발생합니다. 이렇게 위치 조건이 엄격한 설계를 할 때는 최소 실체 공차 방식이 도움이 됩니다.
최소 실체 공차 방식의 이용
설계값에 대해 최악인 두께 조건은 홀 직경이 크고(최소 실체 사이즈) 위치가 단면 쪽으로 치우친 경우입니다. 반대로, 홀 직경이 작은 상태(최대 실체 상태)에서는 홀이 단면 쪽으로 치우쳐 있어도 강도를 확보할 수 있습니다.

- a
- 홀의 측면이 단면과 너무 가까워 홀이 망가질 위험이 있다.
란
치수에 최소 실체 공차 방식을 적용하는 경우, 공차 기입란의 사이즈 공차에 이어 을 기입합니다. 경우에 따라서는 데이텀 기호에 이어서 기입합니다. 「L」은 Least Material Requirement(LMR)의 약칭으로, 최소 실체 공차 방식의 적용을 지시하는 기호입니다.

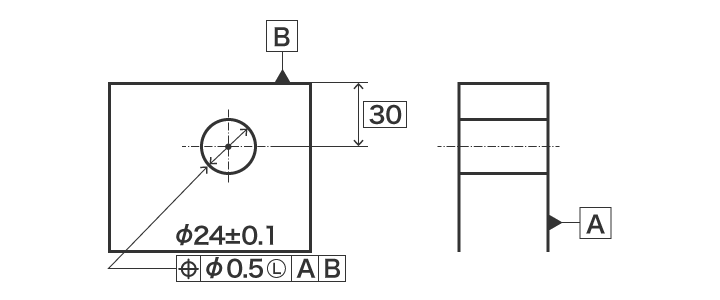
최소 실체 공차 방식의 지정 예
아래 그림은 최소 두께를 위치도로 나타낸 경우의 딘면과 홀을 최소 실체 공차 방식으로 지시한 예입니다.
사이즈 허용 구간에 을 적용하면 위치도 Φ0.5는, 홀 24가 최소 실체 상태인 Φ24.1일 때만 적용됩니다. 이때 홀의 크기가 작아지면 그만큼 기하 공차는 완화됩니다.



