최대 실체 공차 방식(MMR: Maximum Material Requirement)
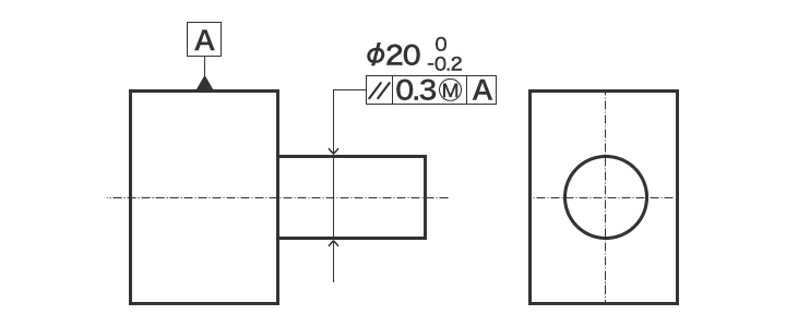
2개의 부품이 감합되도록 설계하는 경우에는 「최대 실체 공차 방식」이 이용됩니다.
예를 들어, 홀에 감합되도록 설계한 축이 최대 실체 상태(MMC)일 때, 실제로 끼워 보면 「맞지 않는」 경우가 일어나지 않도록 하는 것과 그것을 피하기 위해 지나치게 엄격한 사이즈 공차를 설정하는 것을 방지하기 위한 지시 방식입니다.
란
치수에 최대 실체 공차 방식을 적용하는 경우, 공차 기입란의 사이즈 공차에 이어 을 기입합니다. 「M」은 Maximum Material Requirement(MMR)의 약칭으로, 최대 실체 공차 방식의 적용을 지시하는 기호입니다.

사이즈 공차의 취급에 대해서
최대 실체 공차 방식에서는 사이즈 공차를 반드시 준수합니다. 그러나 사이즈 공차가 최대 실체 사이즈에서 멀어진 경우에는 차분을 기하 공차에 추가하여 실효 치수로 할 수 있습니다.
-
최대 실체 상태

-
실효 상태

- a
- 실효 치수
동적공차선도에서 최대 실체 공차 방식을 나타낸다.
「동적공차선도」란 사이즈 공차와 기하 공차의 공차 영역 변화를 시각적으로 나타내는 툴입니다. 세로축을 기하 공차, 가로축을 사이즈 공차로 하면 사이즈 공차와 기하 공차의 편차를 동시에 나타낼 수 있습니다. 또한, 최대 실체 공차 적용으로 인해 기하 공차가 완화된 경우 발생하는 보너스 공차도 명확해집니다.

- a
- 샤프트
- b
- 하우징

- a
- 진직도
- b
- 축의 사이즈 공차
- c
- 홀의 사이즈 공차


