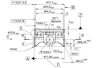
데이텀 이해하기

대상 물체의 자세 공차위치 공차, 윤곽도등을 지정하려면 명확한 기준이 필요한데, 그 기준이 데이텀입니다.데이텀은 「이론적이며 이상적인 형체」로, 실존하지 않습니다.따라서 이해하기 어려운 면이 있습니다.그러나 기하 공차를 이해하려면 데이텀은 반드시 이해해야 합니다.

여기에서는 데이텀의 특징과 여러 데이텀으로 구성되는 공통 데이텀, 데이텀계의 기초 지식을 소개합니다.

데이텀 이해하기

색인